|
|
|
|
 |
|

AVR TSR 3000 ************** (ÀÚµ¿Àü¾ÐÁ¶Á¤±â)
|
|
 |
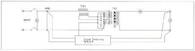
TSR3000 Series TSR-Series AVRÀº ºÒ±ÔÄ¢ÇÑ »ó¿ëÀü¿øÀ̳ª ºÎÇÏ(Load)±â±âÀÇ ¼ø°£°úµµ Çö»óÀ¸·Î Àü¾ÐÀÌ Á¤»ó Çã¿ë¹üÀ§¿¡¼ ¹þ¾î³µÀ»¶§ Digital I.C¸¦ ÀÌ¿ë °ËÃâÇÏ¿© TransÀÇ TABÀ» ¹«Á¢Á¡¹ÝµµÃ¼(Traic)·Î Á¦¾î½ÃÄÑ ºÎÇÏ(Load)±â±â¿¡ Ç×»ó ¾çÁúÀÇ Á¤Àü¾Ð Àü¿øÀ» °ø±ÞÇÕ´Ï´Ù!
¢Ñ "ISO 9001" ǰÁú °æ¿µ½Ã½ºÅÛ ÀÎÁõ¾÷üÀÇ ¾ÈÁ¤µÈ ǰÁú¼öÁØ... ¢Ñ Á¦1±ÝÀ¶±ÇÀÎ "½ÅÇÑÀºÇà" Àü±¹ Àü ÁöÁ¡¿¡ ¼³Ä¡ °ËÁõµÈ ½Å·Ú¼º... ¢Ñ Àü ǰ¸ñ ¾ÈÀüÀÎÁõ(Çü½Ä½ÂÀÎ) ÃëµæÀ¸·Î ¾ÈÁ¤¼º È®º¸... ¢Ñ ¹«Á¢Á¡ ¹ÝµµÃ¼ Á¦¾î¹æ½ÄÀ¸·Î ±âÁ¸ AVRº¸´Ù ¼º´ÉÀÌ ¿ùµîÈ÷ ¿ì¼ö
*ÀϹÝÀû»çÇ× .³Ã°¢¹æ½Ä ÀÚ¿¬°ø³Ã½Ä °Á¦Ç³³Ã½Ä .»ç¿ëÁ¤°Ý 100% ¿¬¼Ó »ç¿ë .Á¦¾î¼ÒÀÚ TRAIC
*ÀÔ·ÂÀü¾Ð .»ó ¼ö 3»ó3¼±½Ä, 3»ó4¼±½Ä(±¸¸Å½Ã ÁöÁ¤)
*Á¤°ÝÀü¾Ð 200V, 208V, 220V, 380V, 440V, 480V, 208V/120V, 380V/220V(±¸¸Å½Ã ÁöÁ¤) .Àü¾Ðº¯µ¿¹üÀ§ ¡¾10% .Á¤°ÝÁ֯ļö 50/60Hz ¡¾5%
*Ãâ·ÂÀü¾Ð .»ó ¼ö 3»ó 3¼±½Ä,3»ó 4¼±½Ä(±¸¸Å½Ã ÁöÁ¤) .Á¤°ÝÀü¾Ð 110V, 208V, 220V, 380V, 440V, 480V, 208V/120V, 380V/220V(±¸¸Å½Ã ÁöÁ¤) .Á¤°ÝÁ֯ļö 50/60Hz ¡¾ 0.5% .Àü¾Ð¾ÈÁ¤µµ ¡¾2%À̳» .°úµµÀü¾Ðº¯µ¿ ¡¾5%À̳» .°úµµÀü¾Ð .ÀÀ´ä¼Óµµ 48msÀ̳»(¡¾2% À̳»·Î º¹±Í½Ã) (50%-100%ºÎÇÏ ±Þº¯½Ã) .Ãâ·ÂÀü¾Ð°¡º¯ ¡¾5% ÀÌ»ó .ÆÄÇü¿ÖÀ² 3%ÀÌ»ó .°úºÎÇϳ»·® Á¤°ÝÀÇ 120%¿¡¼ 10ºÐ°£ ÀÌ»ó¾øÀ½. .¼Ò À½ 40dBÀÌÇÏ 55dBÀÌÇÏ .Á¾ÇÕÈ¿À² 90%ÀÌ»ó
*Àý¿¬Æ¯¼º : Àý¿¬Àü¾Ð AC 1500V 60Hz·Î 1ºÐ°£ Àΰ¡ .Àý¿¬ÀúÇ× DC 500V Megger·Î ÃøÁ¤½Ã 5§ÛÀÌ»ó
*¿ÂµµÆ¯¼º : º¯¾Ð±â·ù 125 DEGÀÌÇÏ .±âŸ 80 DEGÀÌÇÏ .¿ÜÇÔ µµÀå»ö»ó 5Y 7/1
* ¿ë µµ .ÄÄÇ»ÅÍÀü¿ø °øÀå F.A¿ë Åë½Å µ¥ÀÌÅÍ ±â±â¿ë .C.Tµî ÀÇ·áÀåºñ¿ë ¹æ¼Û±â±â¿ë ±¤Çбâ±â¿ë .¿¬±¸½Ç, ½ÇÇè½Ç¿ë NCµî ±â°è¿ë »çÁø,Á¦ÆÇ,Àμâ±â¿ë .SYSTEM Á¦¾î¿ë
* Ư ¡ ¼ÒÇü,°æ·®À¸·Î ¿î¹Ý¼³Ä¡ ¿ëÀÌ ³ôÀº È¿À² Á¤È®ÇÑ Ãâ·ÂÀü¾Ð ºü¸¥ ÀÀ´ä¼Óµµ ±ú²ýÇÑ ÆÄÇü |

|
AVR(ÀÚµ¿Àü¾ÐÁ¶Á¤±â)TSR3000 Series
*Àü±âÀû Ư¼º * ÀÔ·Â: 3¢± => Ãâ·Â:3¢± ¿ë ·®(KVA) 10 20 30 40 50 75 100 150 200
* ¿ë·®Dimension Weight
(KVA) Width Depth Hight (kg)
10 460 620 1,000 150 20 460 620 1,000 200 30 630 640 1,000 265 40 530 640 1,000 330 50 690 850 1,440 470 75 690 850 1,440 530 100 850 880 1,530 640 150 850 1,300 1,800 950 200 1,000 1,500 1,900 1,200 |
|
|
|
|
|
| ȨÆäÀÌÁö |
: |
http://daihanscience.koreasme.com |
| ȸ»ç¸í |
: |
http://www.daihan.net ´ëÇѰúÇבּ¸±âÀÚÀç |
| ÀüȹøÈ£ |
: |
(1)02-967-5978 ºñ»ó¿¬¶ô (H.P) : 011-768-8228 (2)02-3673-0199
|
| ÆÑ½º¹øÈ£ |
: |
(1)02-967-5979 (2)02-3673-0271
|
| ÁÖ¼Ò |
: |
(1)¼¿ïƯº°½Ã ¼ººÏ±¸ »ó¿ù°îµ¿ 24-4 ´ëÇѺôµù¼¿ï (¿ìÆí¹øÈ£: 110-123) (2)¼¿ï Á¾·Î±¸ ÀÎÀǵ¿ ¿õÁøºôµù º°°ü 210È£ (¿ìÆí¹øÈ£: 110-785) (3)¡á Åùè/ȹ°¼ºñ½º : ´ç»ç¿¡¼´Â 100,000¿ø ÀÌ»ó ±¸¸Å °í°´ ºÐ ¿¡°Ô´Â ´ç»ç¿¡¼ ºÎ´ãÇÕ´Ï´Ù ( Åùè : KGB, »ï¼º, ȹ° : ¾ç¾ç,´ë½Å,È£³²) ........................... ÁÖ°Å·¡ÀºÇà : ¡á ¿¹ ±Ý ÁÖ : ±è ¹Î ¿Á¡á ¿ì¸®ÀºÇà : 048 - 401225 - 13 - 001 ¡á ±â¾÷ÀºÇà : 086 - 023287 - 03 - 019 ¡á ±¹¹ÎÀºÇà : 045 - 24 - 0267 - 056
|
| URL |
: |
(1)http://www.daihan.net (2)http://´ëÇѰúÇÐ.net
|
| E-mail |
: |
daihansci@yahoo.co.kr |
|
|
|