ȸ»ç¼Ò°³Á¦Ç°¼Ò°³±â¼úÇöȲMy page´ëÇ¥ÀÚÀλ縻»ý»êÇöÀåOEM


 
ADDMENU1
±¸¸Å»ó´ã
 





°Ô½ÃÆÇ
Á¦Ç°±¸¸Å
 


¿øÅÍÄ¡ÈÖÆÃ > PUL
Á¦Ç°±¸¸Å    Á¦Ç°Ãßõ



Á¦Ç°»ç¾ç

Á¦Ç°À¯Çüº°°Ë»ö

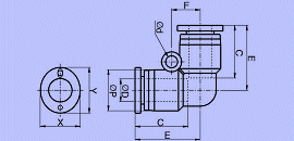
¸ðµ¨¸í
¨ªD
¨ªP
E
C
F
¨ªd
X
Y
¹Ú½º¼ö·®
 PUL 04 4 10 18.7 16 6 2.2 10 12 100 
 PUL 06 6 12.4 20.4 17 8 3.2 12 14 50 
 PUL 08 8 14.4 22.8 18.5 10 4.2 14 16 50 
 PUL 10 10 17.6 26.1 21 12 4.2 17 19 25 
 PUL 12 12 21.2 29 22.5 14 4.2 21 23 25 
 PUL 16 16 25.6 31.1 22.6 16.3 5.3 24 27 20 



ÀÌÀüÁ¦Ç° ¸ñ·ÏÀ¸·Î ´ÙÀ½Á¦Ç°



ȨÆäÀÌÁö : http://daihanscience.koreasme.com
ȸ»ç¸í : http://www.daihan.net ´ëÇѰúÇבּ¸±âÀÚÀç
ÀüÈ­¹øÈ£ : (1)02-967-5978 ºñ»ó¿¬¶ô (H.P) : 011-768-8228
(2)02-3673-0199
ÆÑ½º¹øÈ£ : (1)02-967-5979
(2)02-3673-0271
ÁÖ¼Ò : (1)¼­¿ïƯº°½Ã ¼ººÏ±¸ »ó¿ù°îµ¿ 24-4 ´ëÇѺôµù¼­¿ï (¿ìÆí¹øÈ£: 110-123)
(2)¼­¿ï Á¾·Î±¸ ÀÎÀǵ¿ ¿õÁøºôµù º°°ü 210È£ (¿ìÆí¹øÈ£: 110-785)
(3)¡á Åùè/È­¹°¼­ºñ½º : ´ç»ç¿¡¼­´Â 100,000¿ø ÀÌ»ó ±¸¸Å °í°´ ºÐ ¿¡°Ô´Â ´ç»ç¿¡¼­ ºÎ´ãÇÕ´Ï´Ù ( Åùè : KGB, »ï¼º, È­¹° : ¾ç¾ç,´ë½Å,È£³²) ........................... ÁÖ°Å·¡ÀºÇà : ¡á ¿¹ ±Ý ÁÖ : ±è ¹Î ¿Á¡á ¿ì¸®ÀºÇà : 048 - 401225 - 13 - 001 ¡á ±â¾÷ÀºÇà : 086 - 023287 - 03 - 019 ¡á ±¹¹ÎÀºÇà : 045 - 24 - 0267 - 056
URL : (1)http://www.daihan.net
(2)http://´ëÇѰúÇÐ.net
E-mail : daihansci@yahoo.co.kr