ȸ»ç¼Ò°³Á¦Ç°¼Ò°³±â¼úÇöȲMy page´ëÇ¥ÀÚÀλ縻»ý»êÇöÀåOEM


 
ADDMENU1
±¸¸Å»ó´ã
 





°Ô½ÃÆÇ
Á¦Ç°±¸¸Å
 


¿øÅÍÄ¡ÈÖÆÃ > PMF (98)
Á¦Ç°±¸¸Å    Á¦Ç°Ãßõ



Á¦Ç°»ç¾ç

Á¦Ç°À¯Çüº°°Ë»ö

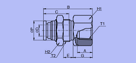
¸ðµ¨¸í
¨ªD
T
¨ªP
G
A
B
C
E
¹Ú½º¼ö·®
 PMF 0401 4 Rc1/8 10 11 9 26.2 16 5 100 
 PMF 0402 4 Rc1/4 10 14 12 29.2 16 5 50 
 PMF 0403 4 Rc3/8 10 15 13 30.2 16 5 50 
 PMF 0601 6 Rc1/8 12 9 9 27.1 17 7.5 50 
 PMF 0602 6 Rc1/4 12 13.5 12 31.7 17 7.5 50 
 PMF 0603 6 Rc3/8 12 15 13 33.2 17 7.5 50 
 PMF 0801 8 Rc1/8 14 10 9 31.5 18.5 9.2 50 
 PMF 0802 8 Rc1/4 14 14 12 35.5 18.5 9.2 50 
 PMF 0803 8 Rc3/8 14 15 13 36.5 18.5 9.2 50 
 PMF 0804 8 Rc1/2 14 19 16 40.5 18.5 9.2 25 
 PMF 1001 10 Rc1/8 17 11 0 31 21 7 25 
 PMF 1002 10 Rc1/4 17 14 12 34 21 7 25 
 PMF 1003 10 Rc3/8 17 15 13 35 21 7 25 
 PMF 1004 10 Rc1/2 17 19 0 39 21 7 25 
 PMF 1201 12 Rc1/8 20 10 9 32.5 23.5 9.9 25 
 PMF 1202 12 Rc1/4 20 13 12 35.5 23.5 9.9 25 
 PMF 1203 12 Rc3/8 20 15 13 37.5 23.5 9.9 25 
 PMF 1204 12 Rc1/2 20 19 16 41.5 23.5 9.9 25 



ÀÌÀüÁ¦Ç° ¸ñ·ÏÀ¸·Î ´ÙÀ½Á¦Ç°



ȨÆäÀÌÁö : http://daihanscience.koreasme.com
ȸ»ç¸í : http://www.daihan.net ´ëÇѰúÇבּ¸±âÀÚÀç
ÀüÈ­¹øÈ£ : (1)02-967-5978 ºñ»ó¿¬¶ô (H.P) : 011-768-8228
(2)02-3673-0199
ÆÑ½º¹øÈ£ : (1)02-967-5979
(2)02-3673-0271
ÁÖ¼Ò : (1)¼­¿ïƯº°½Ã ¼ººÏ±¸ »ó¿ù°îµ¿ 24-4 ´ëÇѺôµù¼­¿ï (¿ìÆí¹øÈ£: 110-123)
(2)¼­¿ï Á¾·Î±¸ ÀÎÀǵ¿ ¿õÁøºôµù º°°ü 210È£ (¿ìÆí¹øÈ£: 110-785)
(3)¡á Åùè/È­¹°¼­ºñ½º : ´ç»ç¿¡¼­´Â 100,000¿ø ÀÌ»ó ±¸¸Å °í°´ ºÐ ¿¡°Ô´Â ´ç»ç¿¡¼­ ºÎ´ãÇÕ´Ï´Ù ( Åùè : KGB, »ï¼º, È­¹° : ¾ç¾ç,´ë½Å,È£³²) ........................... ÁÖ°Å·¡ÀºÇà : ¡á ¿¹ ±Ý ÁÖ : ±è ¹Î ¿Á¡á ¿ì¸®ÀºÇà : 048 - 401225 - 13 - 001 ¡á ±â¾÷ÀºÇà : 086 - 023287 - 03 - 019 ¡á ±¹¹ÎÀºÇà : 045 - 24 - 0267 - 056
URL : (1)http://www.daihan.net
(2)http://´ëÇѰúÇÐ.net
E-mail : daihansci@yahoo.co.kr