ȸ»ç¼Ò°³Á¦Ç°¼Ò°³±â¼úÇöȲMy page´ëÇ¥ÀÚÀλ縻»ý»êÇöÀåOEM


 
ADDMENU1
±¸¸Å»ó´ã
 





°Ô½ÃÆÇ
Á¦Ç°±¸¸Å
 


¿øÅÍÄ¡ÈÖÆÃ > PXT (3)
Á¦Ç°±¸¸Å    Á¦Ç°Ãßõ



Á¦Ç°»ç¾ç

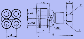
¸ðµ¨¸í
ØD
T
A
B
ØP
C
J
H
¹Ú½º¼ö·®
 PXT 04-01 4 R1/8 8 44.2 10.4 15 10.4 12 25 
 PXT 04-02 4 R1/4 11 48.2 10.4 15 10.4 14 25 
 PXT 06-01 6 R1/8 8 47.9 13 17.2 13 14 25 



ÀÌÀüÁ¦Ç° ¸ñ·ÏÀ¸·Î ´ÙÀ½Á¦Ç°



ȨÆäÀÌÁö : http://daihanscience.koreasme.com
ȸ»ç¸í : http://www.daihan.net ´ëÇѰúÇבּ¸±âÀÚÀç
ÀüÈ­¹øÈ£ : (1)02-967-5978 ºñ»ó¿¬¶ô (H.P) : 011-768-8228
(2)02-3673-0199
ÆÑ½º¹øÈ£ : (1)02-967-5979
(2)02-3673-0271
ÁÖ¼Ò : (1)¼­¿ïƯº°½Ã ¼ººÏ±¸ »ó¿ù°îµ¿ 24-4 ´ëÇѺôµù¼­¿ï (¿ìÆí¹øÈ£: 110-123)
(2)¼­¿ï Á¾·Î±¸ ÀÎÀǵ¿ ¿õÁøºôµù º°°ü 210È£ (¿ìÆí¹øÈ£: 110-785)
(3)¡á Åùè/È­¹°¼­ºñ½º : ´ç»ç¿¡¼­´Â 100,000¿ø ÀÌ»ó ±¸¸Å °í°´ ºÐ ¿¡°Ô´Â ´ç»ç¿¡¼­ ºÎ´ãÇÕ´Ï´Ù ( Åùè : KGB, »ï¼º, È­¹° : ¾ç¾ç,´ë½Å,È£³²) ........................... ÁÖ°Å·¡ÀºÇà : ¡á ¿¹ ±Ý ÁÖ : ±è ¹Î ¿Á¡á ¿ì¸®ÀºÇà : 048 - 401225 - 13 - 001 ¡á ±â¾÷ÀºÇà : 086 - 023287 - 03 - 019 ¡á ±¹¹ÎÀºÇà : 045 - 24 - 0267 - 056
URL : (1)http://www.daihan.net
(2)http://´ëÇѰúÇÐ.net
E-mail : daihansci@yahoo.co.kr